Vlier

HSPFB6

Referencia # : 197HSPFB6

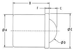
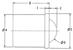
Descripción del producto

Dispositivo accionado por resorte - Émbolos de bola de ajuste a presión - Émbolos de ajuste a presión métricos de acero inoxidable

Per questo prodotto potrebbero essere disponibili certificazioni del prodotto tra cui Mfg CofC, Chem & Phys, RoHS, ecc. Invia un'e-mail a certifications@biscoind.com per richiedere informazioni sulle certificazioni disponibili.

Obtener estimación de envío

*I prezzi e i tempi di consegna non in stock possono essere soggetti a modifiche in base alla disponibilità di produzione.