ESNA

CPM4

Référence #: 220CPM4

Description du produit

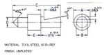
ESNA - CPM4 - Poinçon de montage évasé interne pour écrous à clincher NKCFM et NCFMA Sereis

Des certifications de produit, notamment Mfg CofC, Chem & Phys, RoHS, etc., peuvent être disponibles pour ce produit. Veuillez envoyer un e-mail à certifications@biscoind.com pour vous renseigner sur les certifications disponibles.

Obtenir une estimation d'expédition

*Les prix hors stock et les délais de livraison peuvent être sujets à changement en fonction de la disponibilité de fabrication.