Bivar

102-200

참조 # : 100102-200

제품 설명

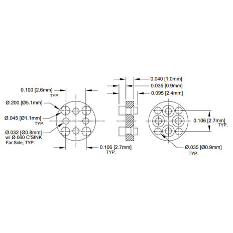
PERM-O-PADS, 원형, TO-18, T1 3/4 LED 실장, 4 리드, 0.245 OD, 0.20 두께, 나일론, 흰색

Mfg CofC, Chem & Phys, RoHS 등을 포함한 제품 인증이 이 제품에 제공될 수 있습니다. 사용 가능한 인증에 대해 문의하려면 certifications@biscoind.com으로 이메일을 보내주세요.

배송 견적 받기

*재고가 없는 가격 및 리드타임은 제조 가능 여부에 따라 변경될 수 있습니다.