EspecificacionesSSBH58 Referencia : 197SSBH58Marca : VlierDispositivo con resorte - Émbolos de bola - Émbolo de bola de acero inoxidable - Fuerza pesadaObtener estimación de envíoCÓDIGO POSTAL*Los precios sin stock y el tiempo de entrega pueden estar sujetos a cambios según la disponibilidad de fabricación.
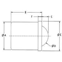
EspecificacionesHSPFB6 Referencia : 197HSPFB6Marca : VlierDispositivo accionado por resorte - Émbolos de bola de ajuste a presión - Émbolos de ajuste a presión métricos de acero inoxidableMás ▼Obtener estimación de envíoCÓDIGO POSTAL*Los precios sin stock y el tiempo de entrega pueden estar sujetos a cambios según la disponibilidad de fabricación.