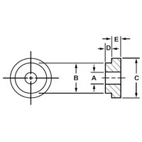
SpecificationsM3132-PH Reference : 490M3132-PHBrand :RAF Electronic HardwareMetric Phenol shoulder washer with an outside diameter of 12 Millimeter and a 3.2 Millimeter shoulder length.Get Shipping EstimateZIP*Non-stock pricing and lead time may be subject to change based on manufacturing availability.
SpecificationsM3132-N Reference : 490M3132-NBrand :RAF Electronic HardwareMetric Nylon shoulder washer with an outside diameter of 12 Millimeter and a 3.2 Millimeter shoulder length.Get Shipping EstimateZIP*Non-stock pricing and lead time may be subject to change based on manufacturing availability.