Bivar

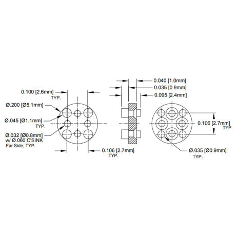
514-050

Reference # : 100514-050

Product certifications may be available for this product. Please email customerservice@biscoind.com to inquire about available certifications.

Get Shipping Estimate

*Non-stock pricing and lead time may be subject to change based on manufacturing availability.